2000MB_s+4TB备份神器! 江存储致态灵·潮流版移动固态硬盘评测
脚本之家
移动固态硬盘市场竞争愈发白热化,想要从中获得更多用户的认可,硬件实力非常重要,同时也需要洞悉并把握住新的需求。智能手机已经成为众多年轻用户记录生活、输出观点的主要设备,特别是iPhone视频拍摄生态逐渐迈向专业化,不少自媒体,甚至专业团队也会使用iPhone拍摄素材,外接高性能移动固态硬盘便成为首选。
同时,年轻用户对于移动固态硬盘有更多要求,比如便携性、颜值等。致态推出的致态灵·潮流版移动固态硬盘,显然瞄准的就是诸如学生、职场新人等年轻用户以及移动创作用户,它以多彩活力的外观示人,并拥有包括2000MB/s读写速度、磁吸等特性。致态灵·潮流版移动固态硬盘的表现能否满足大家的需求,我们进入详细的测试。


一、外观设计及基础规格
测试之前,我们先看一下致态灵·潮流版移动固态硬盘的外观设计。
与市面上绝大多数移动固态硬盘不同,致态灵·潮流版移动固态硬盘的ID设计显然更容易获得年轻潮流群体的青睐。其采用多彩外壳设计,我们拿到的为星耀黄和晨雾蓝。两种配色都比较淡雅,视觉上极为年轻且有活力。

致态灵·潮流版移动固态硬盘的正面为亮面处理,四周为圆弧设计,握持手感极佳。致态的品牌Logo则位于中央。来到背面,表面换成了磨砂质感,相比正面更耐划耐刮。背面的四个白色短条代表其支持磁吸功能,便于像iPhone 17 Pro等智能手机拍摄。下方则是部分参数及认证标识。


致态灵·潮流版移动固态硬盘的体积和重量也相当优秀。其三维尺寸分别为91mm(长)x62.4mm(宽)x11.8mm(厚),与银行卡差不多大小;它的重量控制更是夸张,仅有52g,非常轻盈。可以说致态灵·潮流版移动固态硬盘的便携性在现阶段移动固态硬盘市场中绝对是TOP级别。

USB-C接口位于下方,旁边还有状态指示灯。官方也附送了一根USB 3.2 Gen 2x2(20Gbps)的USB-C to C的数据线,以及USB-C转A的转接头,提升设备兼容性。同时还附送了收纳袋,比较方便。

规格方面,致态灵·潮流版移动固态硬盘支持USB 3.2 Gen2x2(20Gbps)协议,并向下兼容,理论最大读写速度为2000MB/s。我们测试的为2TB版本。另有1TB和4TB容量可选。默认的文件格式为exFAT,支持Windows、macOS、Linux、安卓、iOS、鸿蒙、WinToGo等操作系统。

在大家更关心的闪存颗粒方面,致态灵·潮流版移动固态硬盘采用的是基于长江存储晶栈®Xtacking®技术架构的高品质闪存颗粒,也就是长江存储原厂闪存颗粒。历经数年市场验证,并获得用户认可,在可靠性、稳定性方面均有不俗表现。它也通过了2M防摔认证,官方提供5年有限质保,相比之下,绝大多数品牌提供2或3年质保,能够提供5年质保的非常少,从这一点也能看出致态对于自家产品的自信,品质无需多言。
二、兼容性测试
既然支持磁吸,那么对于设备,特别是移动设备的兼容性自然是目标用户首要考虑的。致态灵·潮流版移动固态硬盘对于Windows的兼容性自然不必多说,后续测试均在Windows系统下进行。我准备了华为手机(鸿蒙)、iPhone 17 Pro(iOS)、iQOO手机(安卓)以及Macmini(macOS)进行兼容性测试。



从测试的结果来看,四款设备均可以识别并存储文件,使用完全正常,兼容性非常不错。同时我们也专门测试了其对于iPhone 17 Pro机型视频拍摄的支持程度。使用iPhone 17 Pro原生相机的视频功能,可以正常开启4K 120帧PRORES Log选项,右上方也正常显示可拍摄视频素材的时长,其对于iPhone机型的支持还是很完善的。而且磁吸功能可以直接吸附在iPhone(iPhone15及以上机型)的后侧,移动创作更加方便。

三、理论性能测试
接下来是理论性能测试。
首先是CrystalDiskMark。实测得到顺序读取成绩为2049.06MB/s、顺序写入成绩为1983.92MB/s,完全符合官方宣称的2000MB/s。无论是传输视频素材,还是工作文件,致态灵·潮流版移动固态硬盘都会有着非常出众的传输效率。

其次是ATTO Disk Benchmark,可以看到其最高持续读取、写入性能基本维持在1.9GB/s、1.85GB/s,速度表现同样非常出色。而且从512KB开始,速度基本保持不变,非常稳定。

再次是Disk Speed Test测试,该测试能体现其在视频传输方面的性能。从结果来看,持续写入速度为1710.3MB/s、持续读取速度为1750.7MB/s,表现亮眼。视频支持方面可以覆盖8K视频的读写需求、12K视频部分格式的读写需求,满足非专业级的视频创作没有问题。

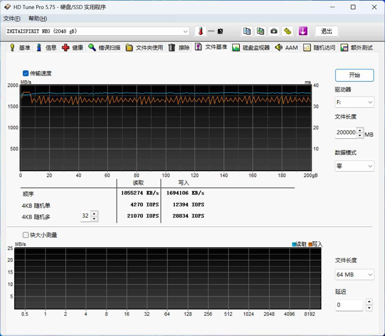
持续性能方面,通过HD Tune Pro持续读写200GB,从得到的曲线可以看到,全程没有掉速,表现相当惊艳。大多数用户单次传输文件的数据量应该低于200GB,这意味着绝大多数数据传输操作都可保持高速传输状态。

最后是PCMARK10的数据盘基准测试,该测试并非体现极限性能,而是综合性能。最终得到1397分的成绩,在移动固态硬盘中属于第一梯队。其中带宽为217.86MB/s,平均存取时间为117μs。

从以上理论性能测试的结果可以看到,致态灵·潮流版移动固态硬盘的性能表现相当出色,最高2000MB/s的读写性能,以及出色的传输稳定性,在目前移动固态硬盘市场中都属于行业顶尖水平,能够为用户提供非常优秀的存储体验。
四、全盘读写测试及表面温度表现
我们进一步探索了致态灵·潮流版移动固态硬盘的极限性能。使用fio进行了全盘读写测试,bs=128K,IO深度为32,其中写入数据量为1908GiB(2049GB),读取数据量为1900GiB(2040GB)。
得到全盘写入的最终速度稳定在847MiB/s(888MB/s),表现相当给力!全盘读取的最终速度则稳定在1596MiB/s(1673MB/s),表现同样亮眼,几乎全程不掉速。


表面温度方面,我们在测试接近尾声的时候,记录了致态灵·潮流版移动固态硬盘正面和背面的最高温度。其中正面最高温度在靠近USB-C接口的位置,在46.6℃左右;背面最高温度出现的位置同样靠近USB-C接口,温度要低一些,为43.2℃左右。估计该位置为主控芯片。实际手感温热,手持并没有任何不适,发热表现也相当出众。

五、游戏性能测试
考虑到部分用户可能会将游戏存储于移动固态硬盘中,便于在不同设备间游玩,所以也进行了游戏相关测试。
首先是3DMARK存储基准测试,最终得到的分数为1176分,表现优秀。测试也详细罗列了其在具体游戏中的带宽表现,可以看到加载游戏的平均值基本在220MB/s左右,这一点与前面的PCMARK10数据盘基准测试基本保持一致。而在更看重持续读写性能的移动游戏部分则是904.8MB/s,考虑到游戏文件较多,且大小不一,如此传输速度已经非常优秀了。

其次是《最终幻想15 ONLINE》的Benchmark测试,在4K高画质的设置下,全部的载入时间为10.751秒,表现非常优秀,实际玩家等待的时间会比较短。

六、软件体验
软件生态方面,致态提供了致态天枢大师移动固态硬盘(Win桌面应用)、致态加密软件(Win桌面应用)以及致态备份管家(支持安卓和鸿蒙设备),方便用户管理数据,了解致态灵·潮流版移动固态硬盘的状态。
致态天枢大师移动固态硬盘的功能非常丰富,用户不仅可以看到移动固态硬盘的设备状态,包括健康度、已用空间、加密状态、S.M.A.R.T.信息,同时还提供了固件升级、设备优化、安全擦除、文件备份等功能,特别是安全擦除和文件备份功能,对于存储重要数据的用户来说非常方便。



同时它也提供了致态加密软件的快捷启动。致态加密软件设计非常纯粹,主要是加密移动固态硬盘,保证数据安全。

致态备份管家则是致态面向移动设备用户推出的软件,主要就是方便用户备份。目前推出了安卓和鸿蒙版本(支持鸿蒙4.0系统),暂时没有iOS版本。其提供了相册、通讯录、音频和文档备份,用户可以选择开启或关闭某个类型的备份。备份过程完全自动,操作简单,极大缓解了移动设备存储空间不足的问题。

七、总结
致态灵·潮流版移动固态硬盘是一款综合素质极为优秀的移动固态硬盘,不仅有着非常出众的持续读写性能和优秀的传输稳定性,而且在设备兼容性和软件体验方面也是现阶段的第一梯队水平,特别是出众的便携性和磁吸功能可以直连以iPhone为代表的智能手机,极大方便了用户进行视频创作,无论是学生用户记录校园生活,还是自媒体拍摄产品镜头,亦或者年轻父母记录孩子的成长瞬间等等,它都能够为用户提供便捷、高效、可靠的使用体验。此外致态灵·潮流版移动固态硬盘的ID设计青春时尚,个性十足,非常契合年轻群体的审美,它将成为移动存储领域的标杆性产品,值得推荐。
